Tel:86-877-65365156 Fax:86-577-65366117
kimlin@dayangfastener.com
English
中文
English
WENZHOU DAYANG FASTENER CO.,LTD
Home
关于我们
关于我们
荣誉资质
精品展示
挡圈
垫圈
弹簧垫圈
锁紧垫圈
组合螺丝用锁紧垫圈
弹性锁紧垫圈
止动垫圈
方形垫圈
密封垫圈
非标冲压件系列
销
销轴
键
螺栓
螺钉
螺母
扳手
铜嵌件
电瓶夹
自动化设备发黑
新品展示
行业资讯
新闻中心
标准查询
销售网络
联系我们
Home
关于我们
精品展示
行业资讯
新闻中心
标准查询
销售网络
联系我们
Current position:
Home
>
行业资讯
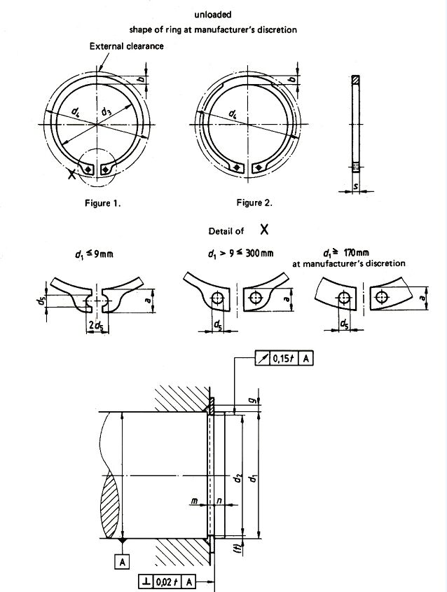
轴用挡圈—标准型和重型规格、德标标准图
2015-12-18 15:18:55
大央紧固件
温州大央紧固件有限公司
Share
Share to WeChat Moments
轴用挡圈—标准型和重型规格、德标标准图
文章整理由
挡圈,轴用挡圈,钢丝挡圈,温州挡圈供应商瑞安市海安紧固件二厂
整理发布、了解详情请电话咨询手机:13958859071
温州大央紧固件有限公司专业生产轴用挡圈,钢丝挡圈,挡圈。我司成立于1983年,在温州挡圈、标准件、非标紧固件的专业生产厂家。
温州大央紧固件有限公司
联系人:林先生 手机:13958859071
电话:0577-65365156
传真:0577-65366117
邮编:325204
邮箱:chinabiaogu@163.com
网址:http://www.chinabiaogu.com/
地址:浙江省瑞安市塘下镇霞林工业区
Links:
http://http://www.chinabiaogu.com///news/news747.html
Prev:
轴用挡圈在小型颚式破碎机的应用
Next:
卡簧的标准有哪些
Recommended Products
Recommended article
About Us
Wenzhou Dayang Fastener Co., Ltd. is located in Ruian automobile and motorcycle parts industry base, which is the capital of auto parts in China. It has been engaged in fastener industry for 30 years ...
KNOW MORE >
Products
Retaining ring class
Gasket class
accessories
Contact us
Add:浙江省瑞安市塘下镇霞林工业区
Tel:86-877-65365156 Fax:86-577-65366117
Email:kimlin@dayangfastener.com
浙ICP备14012662号-1 温州大央紧固件有限公司 版权所有
浙ICP备14012662号-1
Back